Характеристики лампы 6Н2П

В статье рассмотрены технические характеристики электронной лампы 6Н2П, которая представляет собой миниатюрный двойной триод. Первые версии этого устройства появились в 50-х и с тех пор их конструкция принципиально не менялась. Основное назначение – усиление напряжения низкой частоты. До середины 70-х применялась при создании радиоприемников, передатчиков, телевизоров и др. Считается, что прототипом для разработки её в Советском Союзе послужила американская радиолампа 12AX7WA.

Интересно, что до настоящего времени лампа 6Н2П продолжает выпускаться и применяется российскими производителями при создании аудио оборудования на радиолампах. Она хорошо известна в среде любителей рок-музыки. Используется в основном в гитарных усилителях, а именно в предварительных каскадах усиления, от которых напрямую зависит качество воспроизводимой музыки. Имеет сравнительно нейтральный тон в перегрузе и относительно прозрачна в чистом звуке. На интернет-форумах ведутся нескончаемые споры о её характеристиках и возможностях звучания в различных частотных диапазонах.

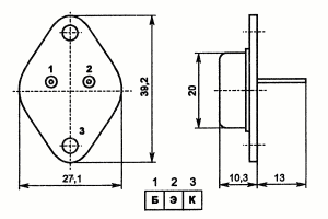
Распиновка

Внешний вид, габариты и цоколевка 6Н2П показаны ниже. На рисунке видно, что устройство представляет собой пальчиковую лампу у которой полностью отсутствует цоколь. От электродов, сквозь «пуговичное» стеклянное донышко, выведены девять заострённых выводов из никелевой проволоки.6н2п цоколевка

Основные характеристики

Для работы 6Н2П используется постоянное или переменное напряжение накала в диапазоне от 5,7 до 6,3 В. Занижение или завышение указанного параметра приводит со временем к разрушению катода. Поэтому желательно, чтобы питание было стабилизировано и обеспечивало мягкое включение. Лучше, чтобы оно не превышало нижних паспортных значений, что в конечном итоге может значительно продлит срок службы лампы.

Эксплуатационные данные

Приведём основные эксплуатационные характеристики 6Н2П:

  • напряжение:
    • нити накала от 5,7 до 7,0 В;
    • постоянное анодное от 250 В (номинальное) до 300 В;
    • между катодом и подогревателем – до 100 В; между анодами– до 2 В;
    • сетки — минус 1,5 В (постоянное);
  • ток:
    • нити накала — 340 ±25 мА;
    • катода — до 10 мА;
    • анода – 2,3 ±0,9 мА;
  • рассеиваемая мощность одним анодом –до 1 Вт (максимальная);
  • сопротивление в цепи сетки – 0,5 Мом (максимальное);

ёмкость:

  • между анодами– не более 0,15 пФ;
  • между катодом и подогревателем – не более 5 пФ;
  • емкость (у каждого триода): входная — 2,35 ±0,35 пФ; выходная 2,5 ±0,5 пФ; проходная – 0,7 … 0,8 пФ;
  • крутизна характеристики – 2,1 +0,5 мА/В (каждого триода);
  • коэффициент усиления – 97,5 ± 17,5 (каждого триода).

Стоит отметить, что данные параметры указаны производителем в техническом описании (datasheet) исключительно для лампы прогретой до рабочего состояния. При подключении нити накала к переменному току, для уменьшения фона на 25-30 дБ, рекомендовано между катодом и подогревателем подавать не более ±10 В.

Аналоги

Общеизвестно, что у 6Н2П есть хороший зарубежный аналог, послуживший прототипом для её создания — 12AX7WA. Однако у последней все же немного другие параметры, и даже при поверхностном рассмотрении datasheet видны отличия в значениях напряжения нити накала и распиновки. Несмотря на такие несоответствия многие любители гитарной музыки, в поисках лучшего звучания своих усилителей, применяют эти лампы в качестве замены.

В подобных случаях можно рекомендовать европейские версии ЕСС83, ECC89 от компании Tesla, которые ничем не хуже американки. К сожалению такие радиолампы, как и 12AX7WA, в настоящее время достаточно трудно найти в российских магазинах и к тому же они очень дорого стоят. Поэтому некоторые радиолюбители дорабатывают для установки вместо них советские 6Н2П. Пример подобной доработки показан в видеоролике.

На многих интернет-форумах обсуждается возможная замена 6Н2П на 6Н3П, ведутся споры какая лампа лучше. Однако две эти радиолампы разные по своим характеристикам. К тому же, у последней более низкий коэффициент усиления по току и другая цоколевка. В большинстве случаев замена одного устройства на другое потребует глубокой переработки существующей схемы.

Полным отечественным аналогом обычно можно назвать 6Н2П-ЕП — это более поздняя модификация рассмотренной лампы считается хорошей альтернативой. Функциональным аналогом считается 6Н9С, которая полностью идентична по параметрам, но расположение выводов у неё все же отличается. Для установки последней взамен 6Н2П надо придумывать переходник или перепаивать схему.

Производители

Основным производителем радиоламп 6Н2П в настоящее является российское предприятие АО «Восход»-КРЛЗ. Скачать техническое описание на изделие можно по ссылке.

Оцените статью
СхемаТок
Добавить комментарий